| Component Location Index |

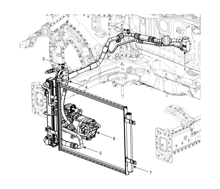
| 1. Expansion valve 2. Service port (Low pressure) 3. Service port (High pressure) 4. Discharge hose | 5. Suction & Liquid tube assembly 6. Electric A/C compressor 7. Condenser |

| 1. Auto defogging sensor 2. Photo sensor | 3. Heater & A/C control unit 4. Heater & Blower unit |
Refrigerant System Service BasicsRefrigerant Identification• Do not mix HFO-1234yf (R-1234yf) in the vehicle with other refrigerant, such as R-12, R-134a and etc.
Oil Specification1.The HFC-134a system requires synthetic (POE) compressor oil whereas the R-12 system requires mineral compressor oil. The two oils must never be mixed.
Inspection1.Turn the ignition switch OFF.2.Disconnect the temperature control actuator connector.3.Verify that the temperature control actuator operates to the cool position when connecting 12V to terminal 3 and grounding terminal 7.Verify that the temperature control actuator operates to the warm position when connected in reverse.
Inspection1.Turn the ignition switch OFF.2.Disconnect the intake actuator connector.3.Verify that the intake actuator operates to the fresh position when connecting 12V to terminal 3 and grounding terminal 4.Verify that the intake actuator operates to the recirculation position when connected in reverse.