| HCU Terminal and Input / Output Signal |

| Terminal Function |
|
Pin No
|
Description
|
Connected to
|
| 1 | HCU Ground | Chassis ground |
| 2 | HCU Ground | Chassis ground |
| 3 | HCU Ground | Chassis ground |
| 4 | Battery power (B+) | Battery |
| 5 | Battery power (B+) | Battery |
| 6 | Battery power (B+) | Battery |
| 7 | - |   |
| 8 | - |   |
| 9 | - |   |
| 10 | - |   |
| 11 | - |   |
| 12 | - |   |
| 13 | - |   |
| 14 | - |   |
| 15 | Brake Switch 2 signal input | Brake Switch (NC, IG1) |
| 16 | Brake Switch 1 signal input | Brake Switch (NO, B+) |
| 17 | - |   |
| 18 | - |   |
| 19 | - |   |
| 20 | - |   |
| 21 | - |   |
| 22 | - |   |
| 23 | - |   |
| 24 | - |   |
| 25 | - |   |
| 26 | - |   |
| 27 | - |   |
| 28 | - |   |
| 29 | - |   |
| 30 | - |   |
| 31 | - | |
| 32 | - | |
| 33 | - | |
| 34 | - |   |
| 35 | - |   |
| 36 | - |   |
| 37 | - |   |
| 38 | Start signal input | Smart Key Unit |
| 39 | - |   |
| 40 | - |   |
| 41 | - |   |
| 42 | - |   |
| 43 | - |   |
| 44 | - |   |
| 45 | - |   |
| 46 | - |   |
| 47 | - |   |
| 48 | - |   |
| 49 | - |   |
| 50 | - |   |
| 51 | - |   |
| 52 | - |   |
| 53 | - |   |
| 54 | - |   |
| 55 | - |   |
| 56 | - |   |
| 57 | - |   |
| 58 | - |   |
| 59 | - |   |
| 60 | - |   |
| 61 | - |   |
| 62 | - |   |
| 63 | - |   |
| 64 | - |   |
| 65 | - |   |
| 66 | - |   |
| 67 | - |   |
| 68 | - |   |
| 69 | - |   |
| 70 | - |   |
| 71 | - |   |
| 72 | - |   |
| 73 | IGN signal input | Smart Key Unit |
| 74 | - |   |
| 75 | - |   |
| 76 | - |   |
| 77 | - |   |
| 78 | Powertrain CAN [High] signal input | Other control modules |
| 79 | Powertrain CAN [Low] signal input | Other control modules |
| 80 | - |   |
| 81 | Hybrid CAN [High] signal input | Other control modules |
| 82 | Hybrid CAN [Low] signal input | Other control modules |
| 83 | - |   |
| 84 | - |   |
| 85 | - |   |
| 86 | - |   |
| 87 | - |   |
| 88 | - |   |
| 89 | - |   |
| 90 | - |   |
| 91 | - |   |
| 92 | - |   |
| 93 | - |   |
| 94 | - |   |
| Input/Output signal |
|
Pin no
|
Description
|
Condition
|
Type
|
Level
|
| 1 | HCU Ground | Always | DC Voltage | Max. 50 mV |
| 2 | HCU Ground | Always | DC Voltage | Max. 50 mV |
| 3 | HCU Ground | Always | DC Voltage | Max. 50 mV |
| 4 | Battery power (B+) | Always | DC Voltage | Battery Voltage |
| 5 | Battery power (B+) | Always | DC Voltage | Battery Voltage |
| 6 | Battery power (B+) | Always | DC Voltage | Battery Voltage |
| 7 | - |   |   |   |
| 8 | - |   |   |   |
| 9 | - |   |   |   |
| 10 | - |   |   |   |
| 11 | - |   |   |   |
| 12 | - |   |   |   |
| 13 | - |   |   |   |
| 14 | - |   |   |   |
| 15 | Brake Switch 2 signal input | IG ON | DC Voltage | Battery Voltage |
| 16 | Brake Switch 1 signal input | Always | DC Voltage | Battery Voltage |
| 17 | - |   |   |   |
| 18 | - |   |   |   |
| 19 | - |   |   |   |
| 20 | - |   |   |   |
| 21 | - |   |   |   |
| 22 | - |   |   |   |
| 23 | - |   |   |   |
| 24 | - |   |   |   |
| 25 | - |   |   |   |
| 26 | - |   |   |   |
| 27 | - |   |   |   |
| 28 | - |   |   |   |
| 29 | - |   |   |   |
| 30 | - |   |   |   |
| 31 | - | |||
| 32 | - | |||
| 33 | - | |||
| 34 | - |   |   |   |
| 35 | - |   |   |   |
| 36 | - |   |   |   |
| 37 | - |   |   |   |
| 38 | Start signal input | IG ST | DC Voltage | Battery Voltage |
| 39 | - |   |   |   |
| 40 | - |   |   |   |
| 41 | - |   |   |   |
| 42 | - |   |   |   |
| 43 | - |   |   |   |
| 44 | - |   |   |   |
| 45 | - |   |   |   |
| 46 | - |   |   |   |
| 47 | - |   |   |   |
| 48 | - |   |   |   |
| 49 | - |   |   |   |
| 50 | - |   |   |   |
| 51 | - |   |   |   |
| 52 | - |   |   |   |
| 53 | - |   |   |   |
| 54 | - |   |   |   |
| 55 | - |   |   |   |
| 56 | - |   |   |   |
| 57 | - |   |   |   |
| 58 | - |   |   |   |
| 59 | - |   |   |   |
| 60 | - |   |   |   |
| 61 | - |   |   |   |
| 62 | - |   |   |   |
| 63 | - |   |   |   |
| 64 | - |   |   |   |
| 65 | - |   |   |   |
| 66 | - |   |   |   |
| 67 | - |   |   |   |
| 68 | - |   |   |   |
| 69 | - |   |   |   |
| 70 | - |   |   |   |
| 71 | - |   |   |   |
| 72 | - |   |   |   |
| 73 | IGN Signal input | IG ON | DC Voltage | Battery Voltage |
| 74 | - |   |   |   |
| 75 | - |   |   |   |
| 76 | - |   |   |   |
| 77 | - |   |   |   |
| 78 | Powertrain CAN [High] signal input | IG ON | Pulse | Dominant : 2.75 - 4.5 (3.5)V Receive : 2.0 - 3.0 (2.5)V |
| 79 | Powertrain CAN [Low] signal input | IG ON | Pulse | Receive : 2.0 - 3.0 (2.5)V Dominant : 0.5 - 2.25 (1.5)V |
| 80 | - |   |   |   |
| 81 | Hybrid CAN [High] signal input | IG ON | Pulse | Dominant : 2.75 - 4.5 (3.5)V Receive : 2.0 - 3.0 (2.5)V |
| 82 | Hybrid CAN [Low] signal input | IG ON | Pulse | Receive : 2.0 - 3.0 (2.5)V Dominant : 0.5 - 2.25 (1.5)V |
| 83 | - |   |   |   |
| 84 | - |   |   |   |
| 85 | - |   |   |   |
| 86 | - |   |   |   |
| 87 | - |   |   |   |
| 88 | - |   |   |   |
| 89 | - |   |   |   |
| 90 | - |   |   |   |
| 91 | - |   |   |   |
| 92 | - |   |   |   |
| 93 | - |   |   |   |
| 94 | - |   |   |   |
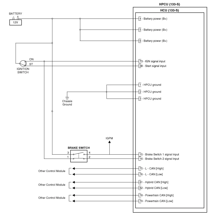
| Circuit Diagram |

Removal • Be sure to read and follow the "General Safety Information and Caution" before doing any work related with the high voltage system.
Removal • Be sure to read and follow the "General Safety Information and Caution" before doing any work related with the high voltage system.
Description The photo sensor is located at the center of the defrost nozzles.The photo sensor contains a photovoltaic (sensitive to sunlight) diode. The solar radiation received by its light receiving portion, generates an electromotive force in proportion to the amount of radiation received which is transferred to the automatic temperature control
Inspection1.Turn the ignition switch OFF.2.Disconnect the temperature control actuator connector.3.Verify that the temperature control actuator operates to the cool position when connecting 12V to terminal 3 and grounding terminal 7.Verify that the temperature control actuator operates to the warm position when connected in reverse.