Hyundai Ioniq (AE): Heater / Auto Defoging Actuator. Repair procedures

Inspection
1.
Turn the ignition switch OFF.
2.
Disconnect the auto defogging connector.
3.
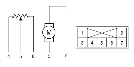
Verify that the auto defogging actuator operates to the open position when connecting 12V to terminal 3 and grounding terminal 4.
Verify that the auto defogging actuator operates to the close position when connected in reverse.

Pin NO
Function
1
-
2
-
3
Open
4
Sensor (+5V)
5
Feedback signal
6
Sensor ground
7
Off

4.
Connect the auto defogging actuator connector.
5.
Turn the ignition switch ON.
6.
Check the voltage between terminals 6 and 5.
7.
If the measured voltage is not within specification, check the operation by replacing the existing auto defogging actuator with a new genuine part. After that, determine whether replacement of the auto defogging actuator is required or not.
Diagnosis With GDS
1.
The heating, ventilation and air conditioning can be quickly diagnosed failed parts with vehicle diagnostic system (GDS).
※ The diagnostic system (GDS) provides the following information.
(1) Self diagnosis : Checking the failure code (DTC) and display.
(2) Current data : Checking the system input/output data state.
(3) Actuation test : Checking the system operation condition.
(4) Additional function : Other controlling such as he system option and zero point adjustment.
2.
Select the 'Car model' and the system to be checked in order to check the vehicle with the tester.
3.
Select the 'Current data' menu to search the current state of the input / output data.
The input / output data for the sensors corresponding to the Auto Defogging Actuator can be checked.

4.
To perform compulsory operation on Auto Defogging Actuator input factors, select "ACTUATION TEST".

Replacement
1.
Disconnect the negative (-) battery terminal.
2.
Remove the main crash pad assembly.
(Refer to Body - "Main Crash Pad Assembly")
3.
Disconnect the connector (A) and then remove the auto defogging actuator (B) after loosening the mounting screws.

4.
To install, reverse the removal procedure.

    Specifications Door position Voltage (V) Error detecting Vent4.7 ± 0.15Low voltage : 0.

    Other information:

    Hyundai Ioniq (AE) 2017-2022 Service & Repair Manual: Heater Unit. Components and components location

    Component Location1. Heater unit assemblyCompoents1. Heater core cover2. Heater core & Seal assembly3. Mode actuator [LH]4. Temperature control actuator [LH]5. Shower duct [LH]6. Duct sensor [Floor]7. PTC Heater8. Duct sensor [Vent]9. Heater & Evaporator lower case10.

    Hyundai Ioniq (AE) 2017-2022 Service & Repair Manual: Heater Unit. Repair procedures

    Replacement    When prying with a flat-tip screwdriver or use a prying trim tool, wrap it with protective tape, and apply protective tape around the related parts, to prevent damage.1.Disconnect the negative (-) battery terminal.2.Recover the refrigerant with a recovery / recycling / charging station.

    Categories

     
    Copyright © 2026 www.hioniqae.com - 0.0129