Hyundai Ioniq (AE): AHB(Active Hydraulic Boost) System / Description and operation
Regeneration Brake System
During deceleration or braking of an electric vehicle or HEV, the drive motor acts as an alternator and charges the battery by converting the vehicle’s kinetic energy generated during braking into electrical energy.
Regenerative braking amount depends on the vehicle speed, battery SOC, etc.
Achieves significant improvement in fuel efficiency in city driving with repeated acceleration and deceleration.
Regenerative Braking Cooperation Control (RBC)

The brake force apportion is distributed by controlling hydraulic braking and the total brake force (hydraulic + regenerative brake) output that the driver requires is generated.In the case of regenerative brake failure, the total brake force that the driver requires is supplied by the hydraulic brake system.

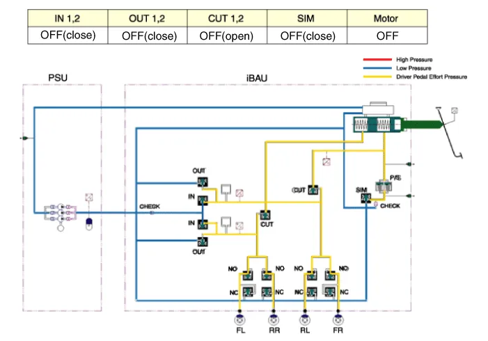
The AHB system is composed of the Pressure Source Unit (PSU), the Intergrated Brake Actuation Unit (IBAU).
First, the PSU generates the hydraulic pressure required for braking.
Similar to the boosting effect when the driver steps on the brake pedal in a system equipped with a vacuum booster, the hydraulic pressure stored in the cylinder is supplied to provide pressure throughout the entire brake line.
Second, the IBAU delivers pressure that is generated by the PSU to a caliper on each wheel. It is connected to the brake pedal to detect the brake force that is required by the driver, and to generate a brake feeling.
The IBAU carries out the ABS, TCS, and ESP functions as in conventional vehicles.
AHB System Operation Principals

High pressure (180 bar) between the PSU and the IBAU is generated consistently. Therefore, before removing the PSU or the IBAU, high pressure between them should be reduced for safety by conducting "High pressure release mode" of GDS connected.

Apply Mode : During normal braking, IN valve becomes ON and opens; then, the high pressure generated by PSU is supplied to a caliper on each wheel by IBAU and the brake operation is engaged.
Release Mode : During discharging brake, OUT valve opens and IN valve closes; then, the high pressure of brake oil return back to reservoir. At this time, CUT valve is ON and it prevents back flow of brake oil to master cylinder.

If the PSU or the IBAU is broken, IN valve and OUT valve are closed, and CUT valve is off. Therefore, the brake force is generated by only pressing a brake pedal manually by a driver.
Components1. Intergrated Brake Actuation Unit 2. Pressure Source Unit
Other information:
DescriptionThe A/C Pressure Transducer (APT) converts the pressure value of high pressure line into voltage value after measuring it. By converted voltage value, engine ECU controls the cooling fan by operating it high speed or low speed. Engine ECU stops the operation of the compressor when the temperature of refrigerant line is very high or very
DescriptionThe ambient temperature sensor is located at the front of the condenser and detects ambient air temperature. It is a negative type thermistor; resistance will increase with lower temperature, and decrease with higher temperature.The sensor output will be used for discharge temperature control, temperature regulation door contrl, blower m