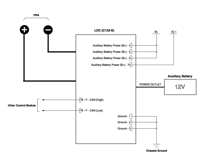
| Schematic Diagram |

Component Location1. Low Voltage DC/DC Converter (LDC)2. Power Outlet Terminal (DC 12V)3. Ground Terminal
Removal • Be sure to read and follow the "General Safety Information and Caution" before doing any work related with the high voltage system.
DescriptionThe temperature control actuator is located at the heater unit. It regulates the temperature by the procedure as follows. The signal from the control unit adjusts the position of the temperature door by operating the temperature switch. Then the temperature will be regulated by the hot/cold air ratio decided by the position of the temper
Removal1.Disconnect the negative (-) battery terminal.2.Remove the steering wheel assembly.(Refer to Steering System -"Steering Wheel")3.Remove the steering back cover (A).4.Remove the steering remote control connector (A).5.Remove the steering remote control (A), after loosening the screws.