| Schematic Diagrams |

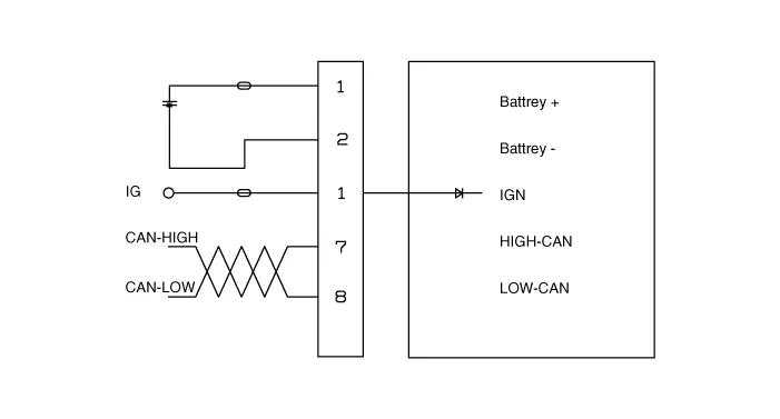
| Terminal Function |

|
Type
|
Pin No
|
Description
|
| Battery | 1 | Battery + |
| 2 | Battery - | |
| VSS | 1 | IGN |
| 2 | - | |
| 3 | - | |
| 4 | - | |
| 5 | - | |
| 6 | - | |
| 7 | HIGH CAN | |
| 8 | LOW CAN |
Components Location1. Steering wheel2. Steering column3. MDPS motor4. MDPS ECU5. Universal joint6. Steering gear box7. Bellows8. Tie rod9. Tie rod end
A/S Repair produresMDPS System A/S Workflowâ‘ Noise / malfunction Inspectionâ‘¡ Warning lamp (DTC) / CAN Line error2 - 1 Checking Connectors and Wiring1.
DescriptionThe ambient temperature sensor is located at the front of the condenser and detects ambient air temperature. It is a negative type thermistor; resistance will increase with lower temperature, and decrease with higher temperature.The sensor output will be used for discharge temperature control, temperature regulation door contrl, blower m
Inspection1.Turn the ignition switch OFF.2.Disconnect the temperature control actuator connector.3.Verify that the temperature control actuator operates to the cool position when connecting 12V to terminal 3 and grounding terminal 7.Verify that the temperature control actuator operates to the warm position when connected in reverse.