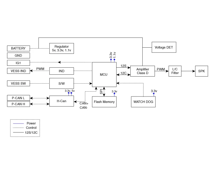
| SCHEMATIC DIAGRAM |

Component Location
Removal1.Disconnect the negative(-) battery terminal.2.Remove the front bumper cover.(Refer to Body - "Front Bumper Cover")3.Disconnect the VESS speaker connector (A) and then remove the VESS speaker (B) after loosening mounting bolts.
DescriptionIn ordinary cars, the mechanical water pump mounted on the engine for heating purposes is activated to circulate the cooling water, but in hybrid cars, AEWP is used to circulate the cooling water when the engine is not operating. Classification System Cooling water used
Removal1.Disconnect the negative (-) battery terminal.2.Remove the steering wheel assembly.(Refer to Steering System -"Steering Wheel")3.Remove the steering back cover (A).4.Remove the steering remote control connector (A).5.Remove the steering remote control (A), after loosening the screws.