Hyundai Ioniq (AE): ESP(Electronic Stability Program) System / Description and operation
Optimum driving safety now has a name : ESP, the Electronic Stability Program.
ESP recognizes critical driving conditions, such as panic reactions in dangerous situations, and stabilizes the vehicle by wheel-individual braking and engine control intervention with no needfor actuating the brake or the gas pedal.
ESP adds a further function known as Active Yaw Control (AYC) to the ABS, TCS, EBD and ESP functions. Whereas the ABS/TCS function controls wheel slip during braking and acceleration and, thus, mainly intervenes in the longitudinal dynamics of the vehicle, active yaw control stabilizes the vehicle about its vertical axis.
This is achieved by wheel individual brake intervention and adaptation of the momentary engine torque with no need for any action to be taken by the driver.
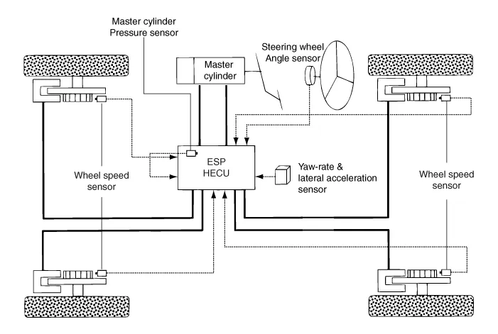
ESP essentially consists of three assemblies : the sensors, the electronic control unit and the actuators.
Of course, the stability control feature works under all driving and operating conditions. Under certain driving conditions, the ABS/TCS function can be activated simultaneously with the ESP function in response to a command by the driver.
In the event of a failure of the stability control function, the basic safety function, ABS, is still maintained.

Description of ESP Control
ESP system includes ABS/EBD, TCS and AYC (Active yaw control) function.
ABS/EBD function : The ECU changes the active sensor signal (current shift) coming from the four wheel sensors to the square waveform.By using the input of above signals, the ECU calculates the vehicle speed and the acceleration & deceleration of the four wheels.And, the ECU judges whether the ABS/EBD should be actuated or not.
TCS function prevents the wheel slip of drive direction by adding the brake pressure and engine torque reduction via CAN communication.TCS function uses the wheel speed sensor signal to determine the wheel slip as far as ABS function.
AYC function prevents unstable maneuver of the vehicle. To determine the vehicle maneuver, AYC function uses the maneuver sensor signals(Yaw Rate Sensor, Lateral Acceleration Sensor, Steering Wheel Angle Sensor).
If vehicle maneuver is unstable (Over Steer or Under Steer), AYC function applies the brake pressure on certain wheel, and send engine torque reduction signal by CAN.
After the key-on, the ECU continually diagnoses the system failure. (self-diagnosis)If the system failure is detected, the ECU informs driver of the system failure through the BRAKE/ABS/ESP warning lamp. (fail-safe warning)

Variant Coding
The HECU is programmed with a variant code based on the vehicle powertrain configuration. This variant code is used to determine the appropriate ESP calculations. Variant code programming should be performed whenever an HECU is replaced.

Input and Output Diagram

| 1. | STEP 1 The ESP analyzes the intention of the driver. 
|
| 2. | STEP 2 It analyzes the movement of the ESP vehicle. 
|
| 3. | STEP 3 The HECU calculates the required strategy, then actuates the appropriate valves and sents torque control requests via CAN to maintain vehicle stability. |
ABS Warning Lamp
The active ABS warning lamp indicates the self-test and failure status of the ABS. The ABS warning lamp shall be on:
| –
| During the initialization phase after IGN ON. (continuously 3 seconds). |
| –
| In the event of inhibition of ABS functions by failure. |
| –
| During diagnostic mode. |
| –
| When the ECU Connector is separated from ECU. |
EBD / Parking Brake Warning Lamp
The active EBD warning lamp indicates the self-test and failure status of the EBD. However, in case the Parking Brake Switch is turned on, the EBD warning lamp is always turned on regardless of EBD functions. The EBD warning lamp shall be on:
| –
| During the initialization phase after IGN ON. (continuously 3 seconds). |
| –
| When the Parking Brake Switch is ON or brake fluid level is low. |
| –
| When the EBD function is out of order . |
| –
| During diagnostic mode. |
| –
| When the ECU Connector is separated from ECU. |
ESP Function / Warning Lamp (ESP System)
The ESP Function/Warning lamp indicates the self-test and failure status of the ESP.
The ESP Function/Warning lamp operates under the following conditions :
| –
| During the initialization phase after IGN ON. (continuously 3 seconds). |
| –
| In the event of inhibition of ESP functions by failure. |
| –
| During dignostic mode. |
| –
| When the ESP control is operating. (Blinking - 2Hz) |
ESP OFF Lamp (ESP System)
The ESP OFF lamp indicates the self-test and operating status of the ESP.
The ESP OFF lamp is turned on under the following conditions :
| –
| During the initialization phase after IGN ON. (continuously 3 seconds). |
| –
| When driver turn off the ESP function by on/off switch. |
ESP ON / OFF Switch (ESP System)
The ESP On/Off Switch shall be used to toggle the ESP function between On/Off states based upon driver input.
The On/Off switch shall be a normally open, momentary contact switch.
Initial status of the ESP function is on and the switch is used to request an ESP status change.
Components1. IBAU (Intergrated Brake Actuation Unit)2. Pressure Source Unit (PSU)3. Steering angle snesor4. Front wheel speed sensor5. Rear wheel speed sensor
Failure Diagnosis1.In principle, ESP and TCS controls are prohibited in case of ABS failure.2.When ESP or TCS fails, only the failed system control is prohibited.
Other information:
C
Replacement1.Disconnect the negative (-) battery terminal. 2.Remove the heater and blower assembly.(Refer to Heater - "Heater Unit") 3.Remove the evaporator core cover (A) after loosening the mounting screws.4.Pull out the evaporator temperature sensor (A) from the evaporator core.