Hyundai Ioniq (AE): Body Side Molding / Front Wheel Guard. Repair procedures

Replacement
   
Put on gloves to prevent hand injuries.
   
When removing with a flat-tip screwdriver or remover, wrap protective tape around the tools to prevent damage to components.
Take care not to scratch the body surface.
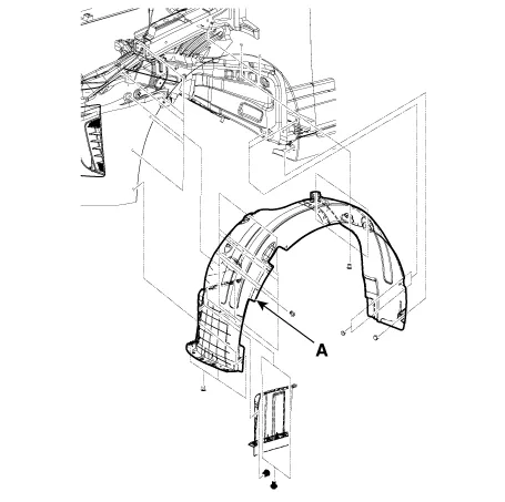
1.
Remove the front tire.
2.
After loosening the mounting clips and remove the front wheel guard (A).

3.
To install, reverse the removal procedure.
   
Replace any damaged clips (or pin-type retainers).

    Replacement    • Put on gloves to prevent hand injuries.    • When removing with a flat-tip screwdriver or remover, wrap protective tape around the tools to prevent damage to components.

    Replacement    • Put on gloves to prevent hand injuries.    • When removing with a flat-tip screwdriver or remover, wrap protective tape around the tools to prevent damage to components.

    Other information:

    Hyundai Ioniq (AE) 2017-2022 Service & Repair Manual: Photo Sensor. Description and operation

    Description The photo sensor is located at the center of the defrost nozzles.The photo sensor contains a photovoltaic (sensitive to sunlight) diode. The solar radiation received by its light receiving portion, generates an electromotive force in proportion to the amount of radiation received which is transferred to the automatic temperature control

    Hyundai Ioniq (AE) 2017-2022 Service & Repair Manual: General safety information and caution

    General Safety Information and CautionBe careful of the following precautions when driving the vehicle using the smart cruise control system.    • The smart cruise control system may have limits in detecting distance to the vehicle ahead due to road and traffic conditions.

    Categories

     
    Copyright © 2025 www.hioniqae.com - 0.0124