| Circuit Diagram |


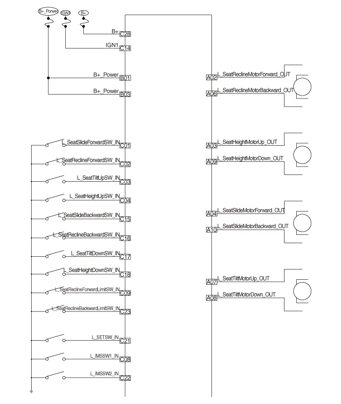
Components No Connecter A Connecter B Connecter C 1-Battery (+)Slide switch signal (Forward)2Reclining motor (Forward)GNDReclining switch signal (Forward)3Height motor (Up)Battery (+)Front tilt switch signal (Up)4Slide motor (Forward)-Reclining switch signal (Forward)5-GND-6Reclining motor (Backward) B-CAN (High)7Tilt motor (Up)B-CAN (Low)8Tilt motor (Down)IMS Switch 19Height motor (Down)Recline limit switch (Forward)10Slide motor (Backward)Slide sensor input11 Tilt sensor input12-13Position sensor (Power)14IGN 115Slide switch (Backward)16Recline switch (Backward)17Tilt switch (Down)18Height switch (Down)19-20Ground21 SET Switch22IMS Switch 223Recline limit switch (Backward)24Seat recline sensor25Seat height sensor (input)26-27-28Battery (+)
Removal1.Disconnect the negative (-) battery terminal.2.Remove the driver seat assembly.(Refer to Body - "Front Seat Assembly")3.Loosening the IMS unit mounting screws.
DescriptionThe A/C Pressure Transducer (APT) converts the pressure value of high pressure line into voltage value after measuring it. By converted voltage value, engine ECU controls the cooling fan by operating it high speed or low speed. Engine ECU stops the operation of the compressor when the temperature of refrigerant line is very high or very
DescriptionRear corner radar is a system that uses two magnetic wave radar sensors attached on the rear panel to measure the distance from the following vehicles and provides the sensing and (visual and auditory) alarm of any vehicle coming into the blind spot.