| Schematic Diagram |


Troubleshooting Flow
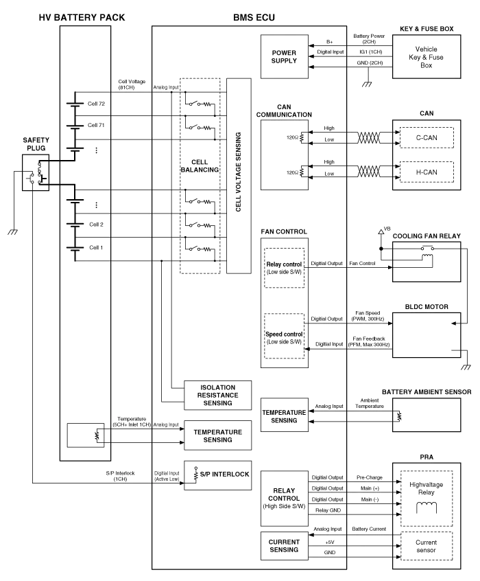
BMS ECU Terminal and Input/Output SignalTerminal FunxtionConnector [B01-VC] (24pin) : High Voltage Battery Cell Voltage Check Connector Pin No Description Connected to 1--2--3--4Battery Voltage [Module 1/ Cell 0] signal inputBattery Module [1]5Battery Voltage [Module 1/ Cell 2] signal inputBattery Module [1]6Battery Voltage [Module 1/ Cell 4] signal inputBattery Module [1]7Battery Voltage [Module 1/ Cell 6] signal inputBattery Module [1]8Battery Voltage [Module 1/ Cell 8] signal inputBattery Module [1]9Battery Voltage [Module 2/ Cell 1] signal inputBattery Module [1]10Battery Voltage [Module 2/ Cell 3] signal inputBattery Module [1]11Battery Voltage [Module 2/ Cell 5] signal inputBattery Module [1]12Battery Voltage [Module 2/ Cell 7] signal inputBattery Module [1]13--14--15--16Battery Voltage [Module 1/ Cell 1] signal inputBattery Module [1]17Battery Voltage [Module 1/ Cell 3] signal inputBattery Module [1]18Battery Voltage [Module 1/ Cell 5] signal inputBattery Module [1]19Battery Voltage [Module 1/ Cell 7] signal inputBattery Module [1]20Battery Voltage [Module 2/ Cell 0] signal inputBattery Module [1]21Battery Voltage [Module 2/ Cell 2] signal inputBattery Module [1]22Battery Voltage [Module 2/ Cell 4] signal inputBattery Module [1]23Battery Voltage [Module 2/ Cell 6] signal inputBattery Module [1]24Battery Voltage [Module 2/ Cell 8] signal inputBattery Module [1]Connector [B01-VD] (28pin) : High Voltage Battery Cell Voltage Check Connector Pin No Description Connected to 1- -2- -3- -4- -5Battery Voltage [Module 3/ Cell 1] signal inputBattery Module [2]6Battery Voltage [Module 3/ Cell 3] signal inputBattery Module [2]7Battery Voltage [Module 3/ Cell 5] signal inputBattery Module [2]8Battery Voltage [Module 3/ Cell 7] signal inputBattery Module [2]9Battery Voltage [Module 4/ Cell 0] signal inputBattery Module [2]10Battery Voltage [Module 4/ Cell 2] signal inputBattery Module [2]11Battery Voltage [Module 4/ Cell 4] signal inputBattery Module [2]12Battery Voltage [Module 4/ Cell 6] signal inputBattery Module [2]13Battery Voltage [Module 4/ Cell 8] signal inputBattery Module [2]14--15--16--17--18Battery Voltage [Module 3/ Cell 0] signal inputBattery Module [2]19Battery Voltage [Module 3/ Cell 2] signal inputBattery Module [2]20Battery Voltage [Module 3/ Cell 4] signal inputBattery Module [2]21Battery Voltage [Module 3/ Cell 6] signal inputBattery Module [2]22Battery Voltage [Module 3/ Cell 8] signal inputBattery Module [2]23Battery Voltage [Module 4/ Cell 1] signal inputBattery Module [2]24Battery Voltage [Module 4/ Cell 3] signal inputBattery Module [2]25Battery Voltage [Module 4/ Cell 5] signal inputBattery Module [2]26Battery Voltage [Module 4/ Cell 7] signal inputBattery Module [2]27--28--Connector [B01-VE] (40pin) : High Voltage Battery Cell Voltage Check Connector Pin No Description Connected to 1Battery Voltage [Module 5/ Cell 0] signal inputBattery Module [3]2Battery Voltage [Module 5/ Cell 2] signal inputBattery Module [3]3Battery Voltage [Module 5/ Cell 4] signal inputBattery Module [3]4Battery Voltage [Module 5/ Cell 6] signal inputBattery Module [3]5Battery Voltage [Module 5/ Cell 8] signal inputBattery Module [3]6Battery Voltage [Module 6/ Cell 1] signal inputBattery Module [3]7Battery Voltage [Module 6/ Cell 3] signal inputBattery Module [3]8Battery Voltage [Module 6/ Cell 5] signal inputBattery Module [3]9Battery Voltage [Module 6/ Cell 7] signal inputBattery Module [3]10Battery Voltage [Module 7/ Cell 0] signal inputBattery Module [4]11Battery Voltage [Module 7/ Cell 2] signal inputBattery Module [4]12Battery Voltage [Module 7/ Cell 4] signal inputBattery Module [4]13Battery Voltage [Module 7/ Cell 6] signal inputBattery Module [4]14Battery Voltage [Module 7/ Cell 8] signal inputBattery Module [4]15Battery Voltage [Module 8/ Cell 1] signal inputBattery Module [4]16Battery Voltage [Module 8/ Cell 3] signal inputBattery Module [4]17Battery Voltage [Module 8/ Cell 5] signal inputBattery Module [4]18Battery Voltage [Module 8/ Cell 7] signal inputBattery Module [4]19--20--21Battery Voltage [Module 5/ Cell 1] signal inputBattery Module [3]22Battery Voltage [Module 5/ Cell 3] signal inputBattery Module [3]23Battery Voltage [Module 5/ Cell 5] signal inputBattery Module [3]24Battery Voltage [Module 5/ Cell 7] signal inputBattery Module [3]25Battery Voltage [Module 6/ Cell 0] signal inputBattery Module [3]26Battery Voltage [Module 6/ Cell 2] signal inputBattery Module [3]27Battery Voltage [Module 6/ Cell 4] signal inputBattery Module [3]28Battery Voltage [Module 6/ Cell 6] signal inputBattery Module [3]29Battery Voltage [Module 6/ Cell 8] signal inputBattery Module [3]30Battery Voltage [Module 7/ Cell 1] signal inputBattery Module [4]31Battery Voltage [Module 7/ Cell 3] signal inputBattery Module [4]32Battery Voltage [Module 7/ Cell 5] signal inputBattery Module [4]33Battery Voltage [Module 7/ Cell 7] signal inputBattery Module [4]34Battery Voltage [Module 8/ Cell 0] signal inputBattery Module [4]35Battery Voltage [Module 8/ Cell 2] signal inputBattery Module [4]36Battery Voltage [Module 8/ Cell 4] signal inputBattery Module [4]37Battery Voltage [Module 8/ Cell 6] signal inputBattery Module [4]38Battery Voltage [Module 8/ Cell 8] signal inputBattery Module [4]39--40--Connector [B01-T] (12pin) : High Voltage Battery Temperatue Sensor Check Connector Pin No Description Connected to 1Battery Temperatue Sensor [Module 1] signal inputBattery Temperatue Sensor2Battery Temperatue Sensor [Module 4] signal inputBattery Temperatue Sensor3--4Battery Temperatue Sensor [Air Inlet] signal inputBattery Temperatue Sensor5--6--7Sensor ground [Module 1]Battery Temperatue Sensor 8Sensor ground [Module 4]Battery Temperatue Sensor9--10Sensor ground [Air Inlet]Battery Temperatue Sensor11--12--Connector [B01-S] (32pin) : High Voltage Battery Control Connector Pin No Description Connected to 1Battery Power (B+)BMS Extension Connector BF11 (1)2Battery Power (B+)BMS Extension Connector BF11 (11)3Battery Power (B+)BMS Extension Connector BF11 (12)4Cooling fan feedback signal inputBMS Blower Motor5H-CAN [High]Other Control Module6H-CAN [Low]Other Control Module7P-CAN [High]Other Control Module8P-CAN [Low]Other Control Module9--10--11Sensor Power (+5V)Battery Current Sensor [PRA]12Battery Current Sensor signal inputBattery Current Sensor [PRA]13--14--15Pre-Charge Relay ControlPre-Charge Relay16Main Relay [+] ControlMain Relay [+]17GroundChassis Ground18GroundChassis Ground19Cooling Fan Relay ControlBMS Extension Connector BF11 (4)20Cooling Fan Speed signal inputBMS Blower Motor21--22--23--24Clash signal inputBMS Extension Connector BF11 (18)25Safety Plug Interlock signal inputSafety Plug26-27Sensor groundBattery Current Sensor [PRA]28--29--30VPD Relay ControlVPD Relay31--32Main Relay [-] ControlMain Relay [-]Circuit Diagram
DescriptionThe ambient temperature sensor is located at the front of the condenser and detects ambient air temperature. It is a negative type thermistor; resistance will increase with lower temperature, and decrease with higher temperature.The sensor output will be used for discharge temperature control, temperature regulation door contrl, blower m
Removal1.Disconnect the negative (-) battery terminal.2.Remove the steering wheel assembly.(Refer to Steering System - "Steering Wheel")3.Remove the steering back cover (A).4.Remove the steering remote control connector (A).5.Remove the steering remote control after loosening the screws.