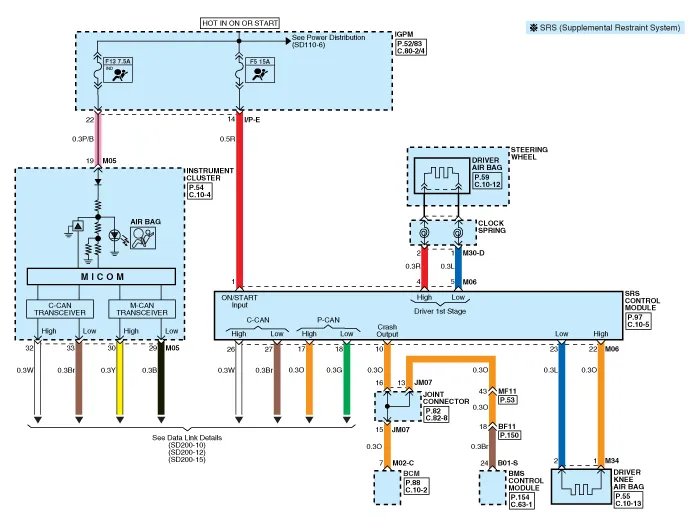
| Circuit Diagram |



Components1. Supplemental Restraint System Control Module (SRSCM)2. Pressure Side Impact Sensor (P-SIS)3. Front right Pressure Impact Sensor (FIS)4. Front left Pressure Impact Sensor (FIS)5.
Description• Supplemental Restraint System Control Module (SRSCM) determines whether and when to deploy air bag module, seat belt pretensioner (BPT) and emergency fastenig device (EFD).
DescriptionThe auto defogging sensor is installed on the front window glass. The sensor judges and sends signal if moisture occurs to blow out wind for defogging. The air conditioner control module receives signal from the sensor and restrains moisture and eliminate defog by controlling the intake actuator, A/C, auto defogging actuator, blower moto
Replacement1.Disconnect the air damper (A) from the glove box (B).2.Remove the stopper (B) from the glove box (A).3.Remove the filter cover (A) by pressing the knob.4.Replace the air filter (A) with a new one according to the direction of air filter. • To remove the filter easily, press the right side inwa