Hyundai Ioniq (AE): Smart Key System / Smart Key Unit. Repair procedures

Removal
Smart Key Unit
1.
Disconnect the negative (-) battery terminal.
2.
Remove the glove box.
(Refer to Body - "Glove Box Upper Cover Assembly")
3.
Remove the smart key unit (A) after disconnecting the connectors (B) and loosening the bolt and nut.

Interior 1 Antenna
   
•
Take care not to scratch the crash pad and related parts.
1.
Disconnect the negative (-) battery terminal.
2.
Remove the console upper cover.
(Refer to Body - "Floor Console Assembly")
3.
Remove the interior 1 antenna (B) after loosening the mounting nuts and disconnect the connector (A).

Interior 2 Antenna
1.
Disconnect the negative (-) battery terminal.
2.
Remove the console upper cover
(Refer to Body - "Floor Console Assembly")
3.
Remove the interior 2 antenna (A) after loosening the mounting nuts (2EA) and disconnecting the connector (B).

Trunk Antenna
1.
Disconnect the negative (-) battery terminal
2.
Remove the rear transverse trim.
(Refer to Body - "Trunk Trim")
3.
Remove the trunk antenna (B) after disconnect the connector (A) and loosening the mounting nuts.

Rear Bumper Antenna
1.
Disconnect the negative (-) battery terminal.
2.
Remove the rear bumper cover.
(Refer to Body - "Rear Bumper Cover")
3.
Remove the rear bumper antenna (A) after disconnect the connector (B) and loosening the mounting nuts.

Buzzer
1.
Disconnect the negative (-) battery terminal.
2.
Remove the front left wheel guide.
(Refer to Body - "Front Wheel Guard")
3.
Remove the buzzer (B) after disconnect the connector (A)

Door Outside Handle
1.
Disconnect the negative (-) battery terminal.
2.
Remove the front outside door handle.
(Refer to Body - "Front Door Outside Handle")

Inspection
Smart Key Unit
(Refer to Smart Key System - "Smart Key Diagnostic")
Smart Key Switch
(Refer to Smart Key System - "Smart Key Diagnostic")
Antenna
(Refer to Smart Key System - "Smart Key Diagnostic")
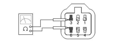
Door Outside Handle
1.
Disconnect the front door outside handle connector (A).

2.
Check for continuity between terminals No 3 and No 6.

No
Description
1
Door antenna (+)
2
Pocket lamp LED (+)
3
Door lock/unlock button switch
4
Door antenna (-)
5
Pocket lamp LED (-)
6
Door lock/unlock button switch ground

Installation
Smart Key Unit
1.
Install the smart key unit.
2.
Install the smart key unit mounting bolts and connect the connector.
3.
Install the glove box.
4.
Install the negative (-) battery terminal and check the smart key system.
Interior 1 Antenna
1.
Install the interior 1 antenna.
2.
Install the crash pad center panel.
3.
Install the negative (-) battery terminal and check the smart key system.
Interior 2 Antenna
1.
Install the interior 2 antenna.
2.
Install the console rear complete assembly.
3.
Install the negative (-) battery terminal and check the smart key system.
Trunk Antenna
1.
Trunk mounted antenna.
2.
Install the rear transverse trim.
3.
Install the negative (-) battery terminal and check the smart key system.
Rear Bumper Antenna
1.
Install the rear bumper antenna.
2.
Install the rear bumper cover.
3.
Install the negative (-) battery terminal and check the smart key system
Door Outside Handle
1.
Install the outside handle.
2.
Install the front outside door handle.
3.
Install the negative (-) battery terminal and check the smart key system.

    Circuit Diagram

    InspectionSelf Diagnosis with Scan ToolIt will be able to diagnose defects of SMART KEY system with GDS quickly. GDS can operates actuator forcefully, input/output value monitoring and self diagnosis.

    Other information:

    Hyundai Ioniq (AE) 2017-2022 Service & Repair Manual: Mode Control Actuator. Description and operation

    DescriptionThe mode control actuator is located at the heater unit.It adjusts the position of the mode door by operating the mode control actuator based on the signal of the A/C control unit. Pressing the mode select switch makes the mode control actuator shift in order of Vent → Bi-Level → Floor → Mix.

    Hyundai Ioniq (AE) 2017-2022 Service & Repair Manual: Description and operation

    Cruise ControlThe cruise control system is engaged by the cruise "ON/OFF" main switch located on right of steering wheel column. The system has the capability to cruise, coast, accelerate and resume speed.It also has a safety interrupt, engaged upon depressing brake or shifting select lever.

    Categories

     
    Copyright © 2026 www.hioniqae.com - 0.0213