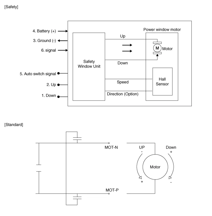
| Circuit Diagram |

Inspection • Wrap the protective tape on the tool to disassemble with the screwdriver or remover. • Use caution in keeping and handling during disassembling/assembling because it is easily contaminated with lubricant and oil.
DescriptionThe temperature control actuator is located at the heater unit. It regulates the temperature by the procedure as follows. The signal from the control unit adjusts the position of the temperature door by operating the temperature switch. Then the temperature will be regulated by the hot/cold air ratio decided by the position of the temper
DescriptionRear view monitor (RVM) will activate when the backup light is ON with the ignition switch ON and the shift lever in the R position.This system is a supplemental system that shows behind the vehicle through the AV monitor while backing-up. • This system is a supplementary function only.