| Components |



Inspection • Wrap the protective tape on the tool to disassemble with the screwdriver or remover. • Use caution in keeping and handling during disassembling/assembling because it is easily contaminated with lubricant and oil.
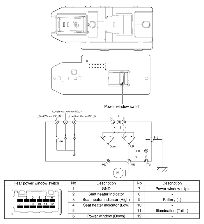
Circuit DiagramDriver Power Window Switch[Driver Auto down power window][Driver Safety Power Window (Driver Auto)][Driver Safety Power Window(Front Auto)][Safety Power Window (Assist Auto)][Manual Power Window]Rear Power Window Switch[Rear Power Window Switch (Manual)][Rear Power Window Switch (Manual + Seat Heater)]
Inspection1.Turn the ignition switch OFF.2.Disconnect the mode control actuator connector.3.Verify that the mode control actuator operates to the defrost mode when connecting 12V to terminal 3 and grounding terminal 4.Verify that the mode control actuator operates to the vent mode when connected in reverse.
Removal1.Remove the front bumper.(Refer to Body - "Front Bumper")2.Disconnect the smart cruise control unit connector (A).3.Remove the smart cruise control nuit assembly (B) from thevehicle after loosening mounting bolts.Installation1.Install in the reverse order of removal.